
Optix RealtimeFrac 是光软 (北京) 科技有限责任公司开发的一款针对水力压裂DAS实时监测应用场景的分布式光纤监测软件。
运行平台: windows/Linux/Macos
适用于: 压裂本井和邻井DAS实时监测
Optix RealtimeFrac软件包含四大子系统:
- 本井DAS实时监测
- 本井DAS和DTS联合实时监测
- 邻井DAS实时监测
- 本井和邻井DAS联合实时监测
Optix RealtimeFrac软件支持2种进液量和进砂量实时定量计算功能 , 包括:
- 利用DAS实时计算 射孔簇进液量
- 利用DAS与压裂曲线实时计算射孔簇进液量和进砂量
Optix RealtimeFrac软件具备以下核心功能:
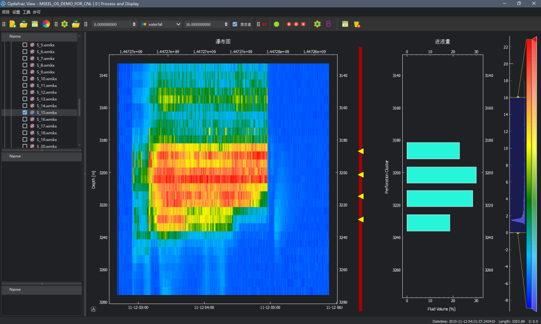
- 实时读入Realtime软件实时处理的FBE和LFDAS数据, 并显示为实时动态二维DAS瀑布图, 支持缺失值显示, 支持多达1 56个色标, 支持对图件进行插值平滑
- 通过勾选井轨迹和射孔簇等井符号文件, 显示射孔簇符号, 支持任意调整显示风格
- 利用压裂井DAS FBE数据实时定量反演各簇进液量, 实时更新进液量占比柱状图, 支持任意调整显示风格
- 支持对DAS数据实时调整显示深度范围
- 支持对DAS数据实时深度和时间校正 , 校正后立即生效并更新实时瀑布图 。支持主界面语言和风格设置, 可选中英文切换, 可选白底黑字或黑底白字
Optix RealtimeFrac软件本井DAS实时监测操作, 请观看下面视频。
OptixView软件获取
中国光软(OptaSoft)免费提供具有完全自主知识产权的【OptixView分布式光纤实时监测系统】软件和技术支持。光软将根据软件试用用户提出的反馈意见,修复bug、增加和优化功能,不定期发布OptixView软件新版本(以发布日期命名版本号)。
OptixView软件介质及操作说明书获取方式(二选一):
1. Optix系列软件下载永久有效链接: https://pan.baidu.com/s/10jmo7QILD5ms6vpLg7ePxg
提取码:opta。请访问百度网盘直接下载相关文档及软件介质。
2. 请扫码添加群助理微信并备注【OptixView】,由助理邀请您加入官方【Optix系列软件技术支持群】获取软件安装介质、演示数据和技术支持。

